Kelly Controller Kbl Wiring Diagram Reverse Kls-n Motor Cont
Kelly controller id Kelly kls-h user manual pdf download Kelly kls controller
Kelly KLS7230S KLS-S Space Saving Sinusoidal Permanent Magnet Motor
Wiring kelly controller oset 24v installation electric dj edited december Programming a kelly motor controller (kls7245n) Oset 16.0 24v
Kelly keb series ebike brushless dc motor controller user manual
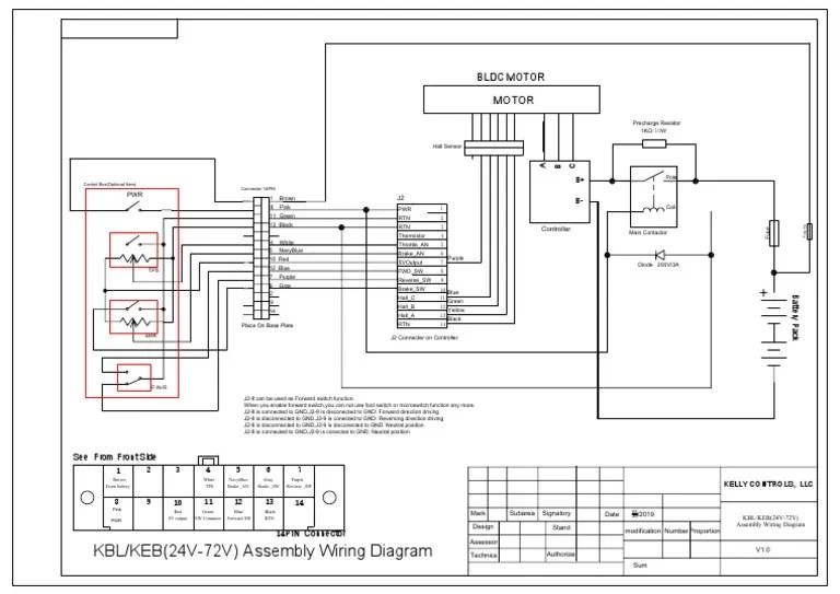
Kellycontrollers.euDhl free shipping kelly controller kls4850d 24v-48v 400a electric Kbl keb assembly f n r wiring diagramUltimate guide to wiring your kelly controller u0026 my....
Help with kelly controller/me2009 motor wiringKls-n motor controller – curly's ag Kbl-e dual assembly(pdf) kelly controller connections and tuning procedure.
Bicycle controller sinusoidal 400a dhl 48v 24v diagram motorized
Kls configuration bikel turnQs-motor.com – kelly kls14301-8080i,24v-144v,300a,sinusoidal bldc motor Kelly kls7230s kls-s space saving sinusoidal permanent magnet motorKelly controller 20b into here picture naked front visforvoltage.
Free cad designs, files & 3d models(pdf) kelly motor controller Kelly controller into a z-20bKbl/keb/pm dual assembly.

Installing and programming a kelly 45 amp controller
Kls-n motor controller – curly's agKelly ksl Kelly kd72301 controller help.Kelly controller motor data ac eu.
Kbl/keb/pm dual high power assemblyKelly wiring controller help diagram kb visforvoltage Controllers bogipower enticeKelly controller into a z-20b.

Project dream-e part 7: wiring and programing the kelly motor
Controller kelly motor bldc sinusoidal 24v 96v 500a name 300a 144vKelly kds24050e small series pm motor controller user manual Kelly controller programmingKelly controllers.
Connections procedureKelly controller overview Kelly controller bldc assembliesKelly controller programming kbs72121x 55a 120a peak 24-72v.

Kelly kls-s user manual pdf download
(pdf) kelly motor controllerCable pack for programming kelly controller Controller kelly 20b into.
.




